Maestro 4S

Stress-free separation of pre-scored PCBs. The MAESTRO 4S separates both large and small PCBs quickly, economically and without stress.

The MAESTRO 4S separates both large and small PCBs quickly, economically and without stress. Cutting with only a single traverse of the pre-scored groove causes tensile and compressive stresses that can damage sensitive components near the groove. Even a second traverse of the groove accompanied by an adjustment of the blade distance substantially reduces the tensile and compressive stresses. This significantly improves the quality of the populated PCBs.

The most important features
  • The blade distance is entered on the operating panel and its adjustment is motor-powered.
  • Up to nine programs can be stored.
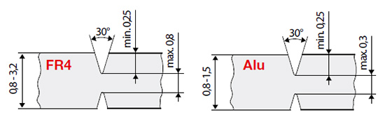
  • The materials used for PCBs are FR4 and aluminumThe continuously adjustable separation length is set with limit switches.
  • The accumulated cutting performance is displayed for the purpose of scheduling preventive maintenance of the blade
For separating aluminum with the MAESTRO 4S we recommend using the FR4 circular blade with special blade settings. Various aluminum alloys are used in the manufacture of PCBs. We recommend submitting sample PCBs with the order in order to optimize the cutting geometry and for the correct adjustment of the circular blades.
Separation typeComponent side: circular blade; Solder side: linear blade
Operationoptimized motor driven
Separation speed300/500 mm/s switchable
MaterialFR4, aluminum
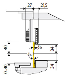
Height of componentsSolder and component sides up to 34 mm
Continuously adjustable separation lengthup to 450 mm; up to 600 mm
Width of supporting table200 mm
Programs9
Vít Matuš Sales Manager
(inspection, measurement, SMT production support machines)
mobile
+420 601 309 047
email
v.matus%a-t%pbt.cz

Send me your question.


Your personal data will be processed according to the privacy policy.